- 收藏
- 加入书签
基于新型存储架构的继电保护数据高效存储与人机交互开发
摘要:本研究聚焦于基于新型存储架构开展继电保护数据高效存储与人机交互开发。通过对新型存储架构的研究与应用,实现继电保护数据的高效存储,提升数据读写效率与可靠性。同时,开发友好、便捷的人机交互界面,方便操作人员对继电保护数据进行管理与分析。经测试验证,该方案有效提高了继电保护系统的数据处理能力与操作体验。关键词:新型存储架构;继电保护数据;高效存储;人机交互开发
引言:继电保护系统在电力系统安全稳定运行中至关重要,其产生的大量数据需要高效存储与管理。传统存储架构在数据处理速度、存储容量等方面存在局限,难以满足日益增长的继电保护数据存储需求。同时,人机交互的便捷性与友好性也影响着操作人员对继电保护系统的操作与维护效率。因此,研究基于新型存储架构的继电保护数据高效存储与人机交互开发具有重要的现实意义。
1. 新型存储架构的定义与特点
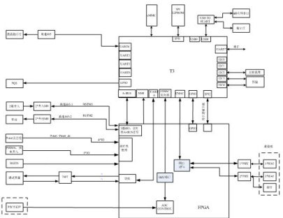
新型存储架构介绍了一种基于嵌入式系统一体化继电保护数据存储的实现方案,该方案基于嵌入式Linux操作系统,利用操作系统强大的文件操作和管理功能,把录波数据存储于文件中。存储芯片采用eMMC,包含Flash管理技术,包括错误探测和纠正,Flash平均擦写,坏块管理,掉电保持等技术。装置整体架构拓扑如图 1
图 1

从特点方面来看,新型存储架构具有高容量的特性。随着电力系统规模的不断扩大,继电保护数据的量也呈爆炸式增长。对于继电保护录波数据量大,需提供大容量的Flash设备,传统存储方式往往需要按页和块进行操作,操作时间慢,可擦写寿命短,出错概率高,读写速度慢,稳定性差,而新型存储架构能够轻松容纳大量的数据,确保数据不会因为存储空间不足而丢失或无法正常存储。
其具备高速的数据读写能力。继电保护数据在某些情况下需要快速地被读取和写入,例如在电力系统发生故障时,快速的读写速度有助于及时获取保护动作相关的数据,从而进行准确的故障分析和处理。新型存储架构通过优化存储介质、数据结构和读写算法等方面来实现高速的读写操作。
2. 继电保护数据特点与存储需求分析
2.1 继电保护数据的类型与特征
继电保护数据类型多样。其中包括了故障录波数据,这是在电力系统发生故障时,对电压、电流等电气量进行连续记录的数据。故障录波数据具有实时性强的特点,它能精确地反映故障瞬间以及故障过程中的电气量变化情况。这些数据通常是按照一定的采样频率进行采集,数据量较大,而且数据的准确性对于故障分析至关重要。
保护动作事件数据也是重要的继电保护数据类型。它记录了继电保护装置在何种情况下启动保护动作,例如过流保护动作、过压保护动作等。这种数据具有离散性,是在特定事件发生时产生的,包含了动作的时间、保护类型等关键信息。这些信息有助于分析电力系统的运行状态以及保护装置的性能。
定值数据同样不可忽视。定值是继电保护装置预先设定的参数,如电流保护的动作电流值、时间定值等。定值数据相对稳定,但在电力系统进行调整或者设备更新时可能会发生变化。它对继电保护装置的正确动作起着决定性的作用,其准确性和完整性需要得到严格的保障。
继电保护装置依据实时采集的模拟量和开入量进程逻辑判断,生成录波数据或保护动作数据,内部通信协议上送到非实时侧,非实时侧组织数据形成文件,系统通过eMMC提供的标准MMC接口,把数据快速存储于设备中。
2.2 现有存储方式的不足
现有的继电保护数据存储方式存在多方面的不足。在存储容量方面,随着电力系统的发展,数据量的不断增加,传统的存储方式如磁盘阵列等,往往在容量扩展上存在瓶颈。当数据量接近存储上限时,就需要频繁地进行硬件升级或者数据迁移,这不仅成本高昂,而且容易在操作过程中出现数据丢失等风险。
在数据访问速度上,传统存储方式也难以满足需求。由于数据存储结构的限制,在查询和获取特定的继电保护数据时,可能需要花费较长的时间。特别是在电力系统发生故障时,快速获取故障相关数据对于及时排除故障、恢复供电至关重要,而现有存储方式的慢速度可能会延误故障处理时间。
数据的安全性方面,现有存储方式存在漏洞。一些存储系统缺乏足够的加密措施和数据备份恢复机制。一旦遭受恶意攻击或者硬件故障,继电保护数据可能会被篡改或者丢失,这将对电力系统的安全稳定运行带来极大的威胁。
此外,现有存储方式在数据管理方面不够灵活。对于不同类型、不同格式的继电保护数据缺乏统一的管理模式,难以进行有效的数据整合和分析,不利于从大量的数据中挖掘出有价值的信息。
2.3 高效存储的具体需求
高效存储继电保护数据需要满足多方面的需求。在容量方面,存储架构应具备可扩展性,能够根据数据量的增长灵活地增加存储空间,而不需要频繁地更换整个存储系统。
例如,可以采用分布式存储技术,通过添加存储节点来扩大存储容量。
数据的读写速度要求快速且稳定。对于实时性要求高的故障录波数据和保护动作事件数据,存储系统应能够在短时间内完成数据的写入和读取操作。这就需要优化存储介质的性能,如采用高速的固态硬盘或者优化数据的存储布局,减少数据的读写延迟。
数据的安全性需求是至关重要的。存储架构应采用高级的加密算法对继电保护数据进行加密,防止数据在存储过程中被窃取或者篡改。同时,建立完善的备份恢复机制,确保在数据遭受破坏时能够快速地恢复数据,保证电力系统的正常运行。
在数据管理方面,需要实现数据的统一管理。无论是不同类型的继电保护数据,还是不同格式的数据,都能够在同一个存储架构下进行有效的组织和管理。这有助于提高数据的利用率,方便进行数据分析和挖掘,为电力系统的优化和决策提供支持。
3. 人机交互开发设计
3.1 人机交互需求分析
在继电保护数据的存储管理中,人机交互有着重要的需求。操作人员需要方便地对继电保护数据进行查询操作。由于继电保护数据众多,需要能够根据不同的条件进行精确查询,如按照时间范围、保护类型、设备名称等条件查询特定的故障录波数据或者保护动作事件数据。
数据的可视化展示也是人机交互的一个重要需求。对于一些复杂的继电保护数据,单纯的数字和文本形式难以让人直观地理解。通过可视化展示,如将故障录波数据以波形图的形式展示,将保护动作事件以流程图的形式展示,可以让操作人员更快速地理解数据背后的含义,从而更好地进行故障分析和处理。
此外,操作人员需要能够对存储系统进行一定的管理操作。例如,对存储容量进行监控,当存储空间接近阈值时能够及时收到提醒,并且可以方便地进行数据备份和恢复操作。同时,对于存储系统中的数据权限进行管理,确保不同级别的人员只能访问和操作其权限范围内的数据。
3.2 交互界面设计原则
交互界面设计应遵循简洁性原则。继电保护数据本身较为复杂,如果交互界面过于繁琐,会让操作人员难以找到所需的功能和数据。简洁的界面设计可以减少操作人员的学习成本和操作失误的概率。例如,将常用的查询功能、可视化展示功能等以简洁明了的图标和菜单形式呈现,避免过多的文字和复杂的层级结构。
易用性也是重要的设计原则。交互界面应符合操作人员的操作习惯,操作流程应尽可能简单。例如,在进行数据查询时,输入查询条件的方式应直观,如采用下拉菜单选择查询条件、文本框输入关键信息等,并且查询结果应快速准确地显示。
可视化原则是交互界面设计的关键。通过合理的可视化设计,可以将复杂的继电保护数据以直观的形式展示给操作人员。如采用不同的颜色区分不同类型的保护动作事件,用动态的图形展示故障录波数据的变化趋势等。这有助于提高操作人员对数据的理解能力和分析效率。
一致性原则同样不可忽视。整个交互界面在风格、操作方式等方面应保持一致。例如,不同功能模块的图标设计风格应统一,菜单的布局和操作逻辑应相同,这样可以让操作人员在不同的操作场景下都能够快速适应,提高操作效率。
3.3 交互功能模块设计
查询功能模块是人机交互的重要组成部分。这个模块应能够支持多种查询方式。对于继电保护数据,可以根据时间维度进行查询,例如查询某一时间段内的所有故障录波数据。也可以根据设备名称进行查询,获取特定设备相关的保护动作事件数据和定值数据等。查询结果应准确无误,并且以清晰的表格或者图形形式展示,方便操作人员查看。
可视化展示功能模块对于理解继电保护数据具有关键意义。这个模块可以根据不同的数据类型设计不同的可视化展示方式。对于故障录波数据,可将电压、电流等电气量以波形图的形式展示,并且可以对波形进行放大、缩小、平移等操作,方便操作人员观察故障瞬间的电气量变化情况。对于保护动作事件数据,可以以时间轴为基础,将各个保护动作按照发生的先后顺序以图形化的方式展示,清晰地呈现出整个事件的发展过程。
存储管理功能模块主要用于对存储系统进行管理。操作人员可以通过这个模块查看存储系统的容量使用情况,包括已用空间和剩余空间的比例等。当存储空间接近设定的阈值时,模块应能够发出提醒,如弹出警告窗口或者发送通知消息。此外,这个模块还应支持数据备份和恢复操作,操作人员可以选择需要备份的数据和备份的目标位置,在数据丢失或者损坏时能够方便地进行恢复操作。
权限管理功能模块负责对操作人员的权限进行管理。在继电保护数据存储系统中,不同级别的人员可能需要访问不同的数据。这个模块可以根据人员的角色设定不同的权限,如管理员可以进行所有的操作,包括数据的增删改查、存储系统的配置等,而普通操作人员只能进行数据查询和部分管理操作。权限管理模块应确保权限的严格控制,防止越权操作,保障继电保护数据的安全。
结束语:本研究通过对新型存储架构的应用,成功实现了继电保护数据的高效存储与人机交互开发。研究成果有效提升了继电保护系统的数据处理能力与操作便捷性,具有一定的实用价值。未来,可进一步优化存储架构与交互设计,以适应电力系统不断发展的需求。
参考文献:
[1] 李航. 人机交互数字界面评价软件典型模块设计与实现[D]. 南京:东南大学,2019.
[2]马超民,赵丹华,辛灏. 基于用户体验的智能装备人机交互界面设计[J]. 计算机集成制造系统,2020,26(10):2650-2660.
京公网安备 11011302003690号