- 收藏
- 加入书签
基于配电变压器温压液位一体化智能传感器的变压器多维状态感知技术
摘要:配电变压器作为工矿企业与民用建筑供配电系统中的重要设备之一,在供配电系统中占据着十分重要的地位,其可靠性直接影响到电力工业的正常生产。变压器运行过程受环境影响,其运行状态可通过变压器油温油压等信息进行监测,因此,对变压器周围的环境温湿度,变压器油温,液位,压力的监测十分必要。工作人员根据这些实时获得的参数,对变压器的运行状态进行准确判断,也可以对缓发性故障进行预防。集合测量油温,油压,液位,环境温湿度的高度集成传感器,将各状态参量传送至后台终端,利用软件算法进行融合分析,可以对变压器绝缘状态、寿命做出快速有效的评估,并可有效的指导变压器运行和维护维修,减少运行维护人员的工作量,降低运行管理成本。
关键词:配电变压器;运行状态;智能测量;传感器;融合分析
前言
经济的快速发展加大了对电力等基础能源的需求,配电变压器作为工矿企业与民用建筑供配电系统中的重要设备,必须保障其安全稳定高效的运行。通过实时监测变压器液位,油温,油压状态,可以有效了解变压器运行状态。传统油位计功能单一,因此设计一款高度集成的传感器,结合软件算法,实现对配电变压器的多维状态感知,对指导变压器的运行和维护维修,具有重大意义。
1 国内外研究现状
随着配网的用电负荷不断提升,如何保证配电变压器的安全可靠运行,受到国内外企业和科研机构的重视。
在欧美发达国家已有针对变压器的智能检测装置,有成功预报设备故障的范例,但是一般都是专项检测装置,如变压器油位、油压力、局放、温度等,但是缺少多种状态参量融合的智能化装置,而且状态评估手段单一。
国内在变压器状态参量的检测方面也取得了一定的成果,有一部分已进入实用,如红外监测和油色谱在线监测。但总体而言,国内在线状态检测装置可靠性与国外相比存在一定差距,没有标准化和规范化,也没有全面成套、融合集成的状态监测和评估的智能装置。
国内外现有的配电变压器监测装置一般都是专项监测装置,只能对变压器油中气体或或温度等指标进行监测,这种监测装置功能单一,不能实现多种状态参量融合的智能化综合监测,更难以对变压器做出准确的评估和诊断,因而不能及时发现变压器潜在故障,无法保证变压器安全可靠运行,目前国内外还没有基于多维状态感知技术的综合分析的在线监测系统。
2配电变压器多维信号综合监测
配电变压器多维信号综合监测主要包括监测油温、油位、油压力和内部绝缘缺陷、以及环境温湿度等多种信号。结合就地的多模信息融合研判技术,通过综合油温、油位、油压力和内部绝缘缺陷、以及环境温湿度等多种信号的实时监测,实现对配电变压器的运行状态实时评估和在线远程预警。
2.1油位监测
通过研究不同结构形式配电变压器的油位变化的影响因素,研发配电变压器的油位在线精确监测技术,解决带储油柜和不带储油柜两种配电变压器的油位在线精确监测问题,同时避免了配电变压器漏油、少油、多油和喷油的问题。
2.2油压监测
采用充油式 OEM 传感器,解决对于没有储油柜的变压器在全密封状态下,配电变压器作为一个压力容器内部压力实时准确监测问题。
2.3局放监测
基于配电变压器内部绝缘缺陷在线监测技术,采用高灵敏度射频天线技术,有效监测配电变压器内部由于局部放电引起的绝缘缺陷。
2.4多维信号融合诊断
通过综合监测油温、油位、油压力和内部绝缘缺陷、以及环境温湿度等多种信号,结合历史运行趋势,完成对变压器运行状态的综合评估,并对潜在的过热,缺油等隐患做出预警报警。
3配电变压器温压液位一体化智能传感器
根据配电变压器结构特点,设计一体化智能传感器。
3.1整体结构
传感器结构包括屏蔽壳体,屏蔽壳体上方连接有屏蔽盖;屏蔽壳体左侧(对下图)设置有输出接口;屏蔽壳体内部装有多层电路单元;电路单元包括通讯单元,信号处理单元和局放信号采集单元;通讯单元通过铜柱固定在信号处理单元上;信号处理单元分别连接局放信号采集单元、温湿度传感器、光电液位传感器及温度压力传感器;在屏蔽壳体下部连接传感器安装杆,温湿度传感器、光电液位传感器、温度压力传感器和局放天线集中在传感器安装杆中
传感器通过M33×1.5螺纹直接安装在原变压器油位计基座上,对于其他不同尺寸的基座,也可以使用不同螺纹口径的转接接口进行无损安装。
3.2电路设计
整体电路结构设计如下
3.2.1油温油压检测模块设计
温度压力传感器采用不锈钢波纹膜片隔离的充油式 OEM 传感器,通过I2C接口通讯,其中温度范围-10~85℃ ,误差±0.3℃;压力:0~200kPa 误差±0.5kPa。电路接口原理图如下:
3.2.2油位检测模块设计
液位传感器采用红外隔离检测方式,安全可靠,测量精度±5mm(距离油箱壁下沿),电路接口原理图如下:
3.2.3环境温湿度检测模块设计
环境温湿度传感器采用I2C接口通讯,传感器使用了具有防水防尘性能且不影响RH信 号响应时间的聚四氟乙烯膜,因此允许传感器在恶劣环境条件下使用,温度检测范围-40~85℃ 误差±0.3℃,湿度检测范围0~100%RH 误差±2%RH,电路接口原理图如下:
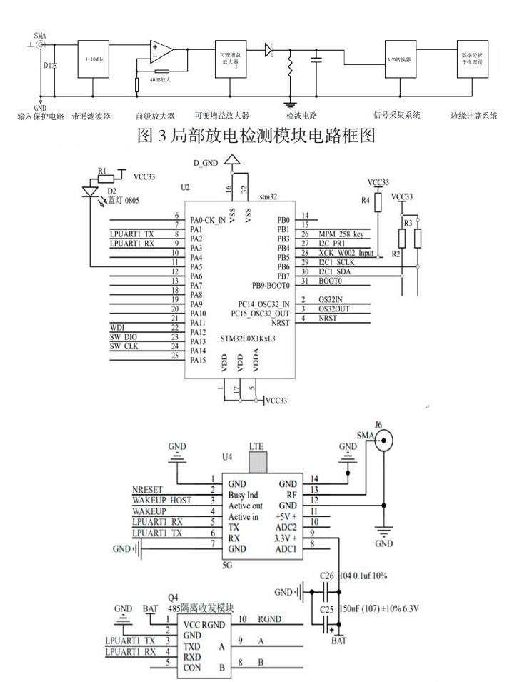
3.2.4局部放电检测模块设计
局部放电采用射频检测方式,选用螺旋天线方式,根据实际测试,检测频带定位1MHz-10MHz,在此频带范围内既能够检测的局部放电信号,又能够避开环境中的通信干扰信号。射频天线验证的测试现场图如图1所示,射频天线距放电源15cm,射频天线连接局部放电检测仪通道2,局放仪的频带设置为1~10MHz,局放仪通道1为标准脉冲电流法检测通道,用于监视放电量。升高放电源电压产生放电信号,局部放电测量仪实测波形如图2所示,放电量约为179pC,此时连接通道2的射频天线能够有效检测到该放电信号。测试结果证明该天线在油中能够有效检测到放电信号,实际配电变压器发生放电性故障时放电量一般高于1000pC,该天线满足检测要求。
局部放电检测电路原理图如图3所示。局部放电监测模块由输入保护电路、带通滤波器、前级放大器、可变增益放大器、检波电路、信号采集系统、数据处理系统组成。输入保护电路防止高压脉冲信号损坏通道,主要器件为气体放电管,具有响应速度快、导通电流大、重复性好等优点;带通滤波器用于去除检测频带外的干扰信号,频带设计为1~10MHz;前级放大器采用低噪声宽带运算放大器,对传感器接收到的信号进行初次放大,放大增益为40dB;可变增益放大器根据信号幅值选择增益,保证通道输出满足信号采集系统的输入要求,增益调节范围为0~40dB;检波电路由检波二极管和RC电路组成,作用是通过包络检波技术将高频信号转换为满足信号采集系统要求的低频信号;信号采集系统主要器件为A/D转换器,将通道输出的模拟信号转换成数字信号;边缘计算系统对采集数据进行幅值和相位分析,保留有效信号,排除干扰信号。
3.2.5信号处理单元
电路原理图如下所示:
3.2.6通讯单元
通讯方式可选有线485通讯和无线4G模式,通常采用有线隔离485方式,电路原理图如下图所示:
3.3融合分析
融合分析功能是智能配电变压器监测系统的重要组成部分,它通过对设备的历史数据进行分析,主要包括局放、油温和油压等方面的数据,为用户提供深入了解变压器历史数据的工具,通过融合分析,用户能够更好地监测设备状态,对于潜在的变压器过热,漏油等隐患及时做出预警报警,提高了设备的可靠性和安全性。
4结束语
通过配电变压器温压液位一体化智能传感器,实现了对配电变压器多维状态的实时监测,高度集成的智能传感器大量减少了人力物力成本,多维融合技术让电力工作者更加直观的了解变压器的运行状态,为变压器的稳定运行提供可靠保障。
参考文献
[1]张碧娜.电气工程中自动化技术的应用研究[J].江西电力职业技术学院学报,2018(2):1-2.
[2]孟江南.配电变压器在线监测与状态综合评估方法研究与应用[D].株洲:湖南工业大学,2019.
[3]邓珺.配电变压器常见故障及维护管理研究[J].科技风,2020(4):185.
作者简介:赵吉康,男,浙江省长兴县,1994年10月,硕士,工程师。





京公网安备 11011302003690号