- 收藏
- 加入书签
基于某型内燃机车功率继电器异常故障的技术研究
摘要:本文针对某型内燃机车功率继电器(PCR)频繁发生非正常切除、未接通故障进行了研究。从硬件层面分析排除继电器电寿命及相关线路接线不良问题,继而通过在机车上加装监控记录仪监测 PCR 通断信号,定位故障根源。为解决继电器异常故障,微机软件增加冗余驱动,通过装车试验验证此方案的有效性。
关键词:PCR;PCR 动力切除;PCR 未接通;监控记录仪;冗余驱动
一、引言
继电器具有导通状态低阻和断开状态绝缘的特性,广泛用于列车、飞机、船舶、卫星等领域[1]。继电器具有高可靠性、高灵敏度、低功率、抗干扰能力强、易于集成、长寿命等优点 [2]。某型内燃机车中 PCR 继电器用于控制整组列车的加载与否,若在机车重载闯坡发生此类故障,则会造成机车倒溜或机破,造成不可忽视的后果。文献 [3] 针对电磁继电器退化故障的问题,提出一种基于时间参数融合的电磁继电器故障检测方法,实验结果表明此方法能够有效提高继电器退化故障的检测性能。
考虑到 PCR 本身电寿命问题及微机的控制逻辑,因针对某型内燃机车 PCR 故障频发,研究人员需要从软件和硬件方面入手,研究其发生故障的原因。
二、研究过程
(一)故障调研
1. 数据分析
通过分析故障机车 CMD 数据,PCR 异常故障发生时,司机控制器档位信号跳变,由此判定故障时 PCR 继电器确实断电打开。从数据分析可知,PCR 异常故障分为两种情况:
① PCR 动力切除:不满足 PCR 断电打开条件的非正常微机PCR 驱动断开;
② PCR 未接通:不满足 PCR 断电打开条件的 PCR 断开而微机软件仍正常驱动。
2. 原因分析
检查改装 CAB 制动机后的软件,发现 PCR 动力切除故障与PCR 驱动所调用的开环使能模块有强相关性,软件运行过程中可能触发驱动的非正常断开。
PCR 未接通故障可能由 PCR 继电器本身、控制线路、微机硬件或底层软件引起。
(二)软、硬件排查
针对 PCR 动力切除故障,替换了 PCR 驱动的问题使能模块。机车替换软件后,未再发生PCR 动力切除故障。
针对PCR 未接通故障,进行了以下工作:
1. 继电器排查
在故障机车上将 PCR 继电器由沙尔特宝 145 继电器换型为SMIT 继电器,其结构形式和电气接口均不同。
2. 控制线路排查
在故障机车上进行了 PCR 驱动电线路排查,检查线路电缆、端子、连接器插针状态,未见异常。
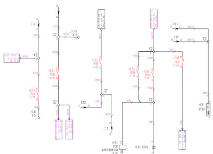
经分析,继电器触点接线不良会造成继电器偶发功能失效。因此对故障机车的PCR 继电器线路进行改造,通过增加过渡端子排,减少 PCR 触点上的接线数量,避免触点受力。改造完成的原理如图1 所示:
图1 记录电压装置接线原理图

3. 微机驱动排查(1)监控记录仪
的自保触头电压、线圈正端和负端电压,通过这三组电压数据判断故障是否由微机驱动引起。
(3)监控记录仪接线原理
监控记录仪能挂接在任何可产生电流与电压位置的设备上,且电压、电流监测范围较大,并可连续存储约 30 天的数据,特别适合于机车上各类接触器、交流电机工况的测量,捕获偶发故障的特点。
为排查微机驱动是否存在问题,从根本上解决“PCR 未接通”故障,在故障机车上临时加装监控记录仪。分别记录 PCR 继电器(三)故障(电压)记录装置数据分析
机车加装监控记录仪运行一周后,通过 MATLAB 对存储数据进行处理,和机车 CMD 故障数据进行对比。选取抓取的典型故障记录如下:

注:绿色曲线为线圈负端对控制负端电压,微机驱动时 0V,断开时 74V;蓝色曲线为线圈正端电压,线圈得电自保时为 74V;红色曲线为线圈自保触点前端电压,正端电路正常时为74V。
(四)故障原因确定
从故障曲线可知,微机驱动线圈负端实际断开, 10ms 后继电器自保触头断开,司控器手柄回零后复位。因此,确定 PCR 未接通故障由微机驱动断开引起,而微机逻辑上未驱动线圈负端断开,判定故障由微机硬件或底层软件引起。
三、方案验证及实施效果
(一)方案验证
1. 针对 PCR 非正常切除,替换了微机软件中的 PCR 驱动的问题使能模块,进行了厂内装车和厂外软件更新。
2.“PCR 未接通”故障由微机驱动失效引起,为增加微机驱动可靠性,制定了PCR 微机冗余驱动方案。
(二)实施效果
修订微机软件后和制定 PCR 微机冗余驱动方案后,运行半年以来,某型内燃试验验证机车未再提报“PCR 动力切除”和“PCR未接通”故障,图 2 可以看出 PCR 故障整改方案效果明显,故障得以有效解决。
图2 整改前后 PCR 故障对比图

四、展望
机车电气故障中最难处理的就是“活”故障,如继电器故障发生时间、频率不确定、故障自动复位,抓取困难。该监控记录仪的数据周期为毫秒级,可以记录电压数据、电流数据 ( 配合电流互感器 ),数据存储时间长,配合 MATLAB 软件进行数据处理,转化图形分析。后期监控记录仪还可以进行温度信号、频率量信号扩展,甚至可以对监控记录仪进行功能扩展,与 6A 和 CMD 关联,实现继电器健康度诊断。
参考文献
[1] 翟国富 , 崔行磊 , 杨文英 . 电磁继电器产品及研究技术发展综述 [J]. 电器与能效管理技术 ,2016,(02):1-8.
[2] 王海鸥 , 王成娟 . 浅谈继电器的几种特性 [J]. 机电元件 ,2022,42(05):62-64.
[3] 雷晓犇 , 王浩 , 肖乔元 , 等 . 基于时间参数融合的电磁继电器故障检测 [J]. 空军工程大学学报 ,2024,25(06):16-25.
李成洲(1999.8-),男,汉族,江苏盐城人,硕士,助理工程师,研究方向:电气设计师
京公网安备 11011302003690号