- 收藏
- 加入书签
基于matlab的串级调速系统仿真设计
摘要:随着串级调速技术的不断发展其应用领域也不断的扩大。相对于变频调速系统,串级调速系统具有占地面积少,维护成本低,变流电压低、变流功率小等特点。本文根据现代串级调速系统的工作原理,详述了现代串级调速双闭环控制系统转子直流回路等主要环节的建模机理。以绕线式异步电动机转速、电流双闭环串级调速原理为基础,结合 matlab 仿真软件包,构建了绕线式异步电动机双闭环串级调速系统的仿真模型,并给出了各模型的具体参数,并设置模型器件参数,结果表明该方案调速性能比较理想。
关键词:绕线式异步电动机;串级调速;双闭环;MATALB
1 引言
目前,对于拖动风机、水泵的电机调速,变频调速技术与串级调速技术应用最为广泛。相对于变频调速技术而言,串级调速技术主要有以下优点:
串级调速技术在节电率,谐波控制,装置安装尺寸及制造耗材,应用使用环境要求上明显优于高压变频技术。特别是,采用现代串级调速时,属于转子侧的低压、小功率变流控制,是节电率最高的调速。国内工业现场使用的内反馈斩波串级调速装置的转速都是采用开环控制,这种控制方式对于矿井提升机等要求调速精度较高、扰动大、调速范围大的负载,调速效果并不理想。相对于开环控制方式,双闭环控制方式为现代串级调速系统提供了一种具有准确性好,抗干扰性更高和可靠性更好的控制方案。
2 绕线式异步电动机串级调速系统
2.1 工作原理
绕线式异步电动机主要是由定子、转子和集电环等组成。正常工作时,定子绕组通过供电设备与电网相联。转子绕组通过滑环、电刷短接或者与控制装置相联。当定子绕组接入频率为f1的三相交流电压时,在定子与转子之间的气隙中便产生一个旋转磁场,该磁场的转速为n0。
该旋转磁场以n0的旋转速度同时切割定子绕组和转子绕组,并在两个绕组中产生感应电动势。当转子以转速旋转时,旋转磁场与转子的转速差为转速差的相对值为转差率,当转差率为0时,转子绕组与旋转磁场没有相对运动。这种状态下电机是不产生转矩,转速将会下降。因此,电动机在正常运行时,一般都n<n0,转差率S在0~1之间变化,因此上述这种电动机称为异步电动机。
2.2 控制电路设计
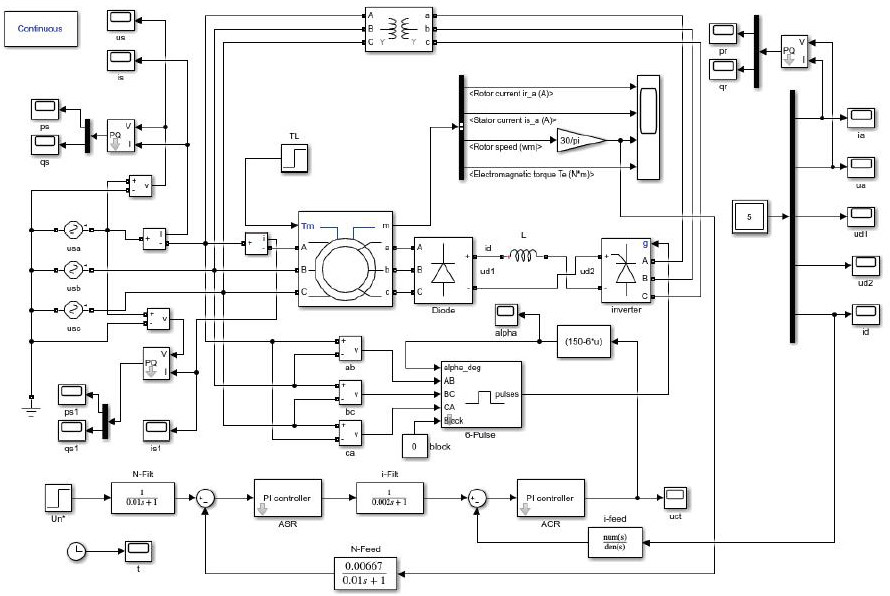
本文采用具有电流内环和速度外环的双闭环控制的串级调速系统模型图如下图所示,通过总线Bus Selector观察电动机定子和转子的三相电流、电机转速和转矩,用阶跃信号模块TL给定电机负载转矩。模型中还用三个功率测量模块Active & Reactive Power分别检测交流电源、电动机定子侧和变压器二次侧一相的有功和无功功率,以便比较串调系统的功率流向。系统由转速调节器ASR和电流调节器ACR组成双闭环PI控制,转速反馈取自电动机检测模块,电流反馈信号取自平波电抗器L的电流检测信号id,转速信号由阶跃模块Un*给定。
3 串级调速系统参数设置
电流环按典型I型系统设计,转速换按典型II型系统设计。根据系统动态模型图,运用 MATLAB/simulink 仿真软件搭建绕线式异步电动机双闭环串级调速系统仿真。设置仿真参数如下。
4 仿真分析
输入参数后,仿真算法取ode15s,仿真时间为2.5s,起动后1s加负载300N·m,转速给定Un*=10(相当于1500r/min),1.5s后改变为Un*=7(相当于1050r/min)。
用串级调速装置直接起动时,因为转差很大,转子电压高,尽管晶闸管整流器控制角已经是150°(βmin=30°),直流回路仍很大,启动达到额定转速后,电流下降为零(理想空载),因此最好用转子串电阻启动限制起动电流,在启动结束后再切入串级调速装置。在1s时加上负载,电动机转速下降,电流相应增加,转矩达到300N·m,电动机进人稳定工作阶段。在1.5s时,转速给定减小,转速随之下降,电动机进入调速阶段,稳定转速为1050r/min。
5 结论
本文通过对绕线式异步电动机串级调速系统进行分析和设计,采用电流、转速的双闭环控制建立了绕线式异步电动机串级调速系统模型,可以提高静态调速精度,获得较好的动态加速性能。而且,响应时间缩短,适合于对系统的响应时间、稳定性要求高的系统。
参考文献
[1] 洪乃刚.电力电子电机控制系统仿真技术[M].机械工业出版社,2013.
[2] 赵梅花,辛异波.绕线式异步电动机的串级调速的应用[J].机电产品开发与创新,2007(04).
[3] 孔玲.绕线式异步电动机的串级调速及设计方法[J].云南民族大学物理与电子电气信息工程学院,2008,4:167-169.
[4] 斩波串级调速系统暂态过程分析及控制与保护研究[D].北京:华北电力大学,2017.
[5] 于精卫.斩波式内反馈串级调速系统的研究[D].包头:内蒙古科技大学,2008.
[6] 周莉,唐国强.异步电动机串级调速系统控制策略的研究[J].安徽理工大学学报(自然科学版),2019,39(2).(13)-(17).


京公网安备 11011302003690号