- 收藏
- 加入书签
工业中基于plc恒压供水系统中水泵切换及变频控制设计
摘要:伴随科学技术的发展,国内工业取得显著成效,供水量增加。运用变频器和 PLC技术完成恒压供水,以此来提高供水质量,节省能源。而之所以采取变频调速是为恒定用水管道的压力,从而实现节能,为保证流量可以符合实际情况。现如今,传统供水系统被变频恒压供水系统代替,并被应用于工业领域。实际上,在变频改造传统供水系统的过程中,经常会面临诸多问题。因而,需要运用PLC技术,减少手动操作,取代部分继电器为降低机械触点出现故障的概率,提升高效性、实用性。该文对工业中基于PLC恒压供水系统中水泵切换和变频控制设计进行研究和分析。
关键词:水泵切换;变频控制设计;研究;分析
PLC融合了自动控制技术、计算机技术等优势,作为一种现代化工业控制装置,一度发展成为工业自动化支柱,具有以下特征:抗干扰性能强、高效性、便于设计、维护花费时间少、灵活性强、功能健全、适用性强、消耗小、易于开发等。和继电器、接触器比较而言,占位空间小,容易变更程序,而且还便于维护,直接传输数据。由此可见,基于PLC恒压供水系统中的变频控制设计、水泵切换,能有效促进工业行业的发展,对研究自动控制领域具有指导意义。
1恒压供水系统的组成
通常情况下,恒压供水泵站需配备数个水泵和电机,相比安装单台水泵更为可靠。当配置单台电机、水泵时,要求大功率,若是水量较少,开大电机必然浪费资源;相反,若是电机小用水量大,则无法保证供水。加之,水泵和电机需要被维修,故备用毋庸置疑。恒压供水是为恒定管网的水压,而水泵电机的转速则会随着水量不断发展变化,所以,需要采用变频器进行供电[1]。有以下两种配置方案:第一种,为每台水泵电机配套变频器,相对方便,即电机和变频器之间不需要切换,只不过费用高。第二种,几个电机配置一台变频器,且能和电机能随意转换,当供水正常时,一个水泵顺利变频启动,另外水泵工频工作,确保用水量满足要求。
其中,调节器作为一种控制装置,具备多种作用:(1)恒定水管压力的给定值。依照水压高低设置。一般来说,供水路程远,用水高度愈高,系统需要的压力越大。给定值是指系统顺利工作时的恒压值。(2)获取传感器的数值。管网实测水压主要是为回送至控制泵站的装置,至于反馈接收点主要为调节器。(3)结合结定值和实测值,依照调节规律,及时发送出调节信号。当调节器接收到反馈信号以后,会和结定值相比,从而获得结定值和实测值的差。假如给定位超过实际值,表明系统水压和理想水压存在差距,若是提高水泵电机的转速,水压超过既定水压,需适当控制其转速。上述大多是由输出信号来控制[2]。为进一步提升系统的可靠性,应重视调节规律问题,过去调节器主要依照比例-积分-微分的形式展开调节,即PID调节器。关于调节参数,例如P、I、D等参数都是由操作人员借助触摸屏来进行设定。当然,PID调节期间,需要观察调节器的内部结构,通常有两大类,分别为数字式调节、模拟量调节,并将微计算机当成关键调节器的数字式调节。
输出信号主要为模拟信号,4-20mA之间变化的电流信号、0-8V之间变化的电压信号。信号量值和差值构成比例关系,大多用来驱动运行设备。在变频恒压供水系统中,运行设备主要为变频器。
2 PLC功能选取和运用
2.1PLC模拟量拓展单元的配置
由于普通PLC的输入输出端口都为开关量处理端口,为及时处理模拟量,大多采取整体式PLC和模拟量拓展单元相结合的方法。这是因为模拟量拓展单元能将外部模拟量转换成具体的数字量和模拟量[3]。当然,拓展单元可被用来转换模/数,或者是单独被用于数/模转换,但兼顾数/模、模/数等功能。以下重点介绍FX2NPLC模拟量模块,包含FX2N-4AD、FX2N-2DA,主要被应用于恒压供水系统中。
2.2模拟量输入模块的功能和PLC连接
由于上述模拟量输入模块拥有四个通道,能一同处理4路输入信号,分辨率为10位。输入信号为-10—+10v电压信号或者-20—+20mA电流信号。另外,输入信号还能借助双绞屏蔽电缆接入,如图1所示,若是输入电流,应短接V+端和l+端。
2.3BFM分配
为满足各方面的要求,通常将模拟量处理模块设置为可编程。FX2N-4AD运用BFM完成编程。其中,模拟量输入模块总共具有30个缓冲存储器,当前已利用21个[4]。
2.4模拟量输出模块的功能和PLC连接
FX2N-4AD可以将10位数字信号转换为电流输出。拥有2个输出通道,且能输出分辨率为2.5mV、1.25mV的电压信号。此外,还能借助驱动负载连接,可若是输出电压时,应短接IOUT与COM端。
3系统设计
3.1系统要求
(1)在恒压供水系统中,总共有两台供水水泵,用于运行和备用,自动运行期间,只要一超过10个小时,便自动切换至备用泵,实施一次轮换,且手动时无需切换;(2)上述水泵由M1、M2电机拖动,接触器KM1、KM2控制;(3)转换以后应快速运行或停止3S报警,一旦运行泵出现异常,便会主动切换至备用泵,然后报警;(4)设定的水压一般处于0-100MPa之间,并借助触摸屏进行调节;(5)触摸屏时,通常展现恒定水压、实际水压、水泵工作时间以及电机转速[5]。
3.2控制系统的I/O分配
将系统内全部输入与输出信号展开编址,总共包含6个输入信号,11个输出信号,具体如表1所示。
3.3电气控制系统原理图
电气控制原理图包含主电路图和控制电路图。
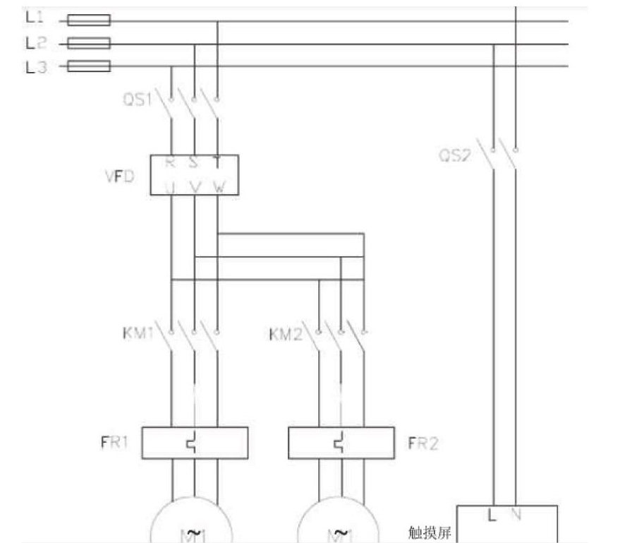
3.3.1主电路图
图2为主电路图。MI、M2代表两台电机,KM1、KM2代表接触器,主要用来控制电机;FR1、FR2代表热继电器;QS1、QS2分别代表变频器与主电路隔离开关。
3.3.2控制电路
当触摸手动按钮时,会进入手动模式;点击触摸屏,进入自动画面。等完全进入上述画面以后,能顺利控制电机的运行,而且还能调节水压高低。当进入自动画面以后,基于PLC程序正常运行。(1)手动运行。当按下启动或暂停按钮时,依照需求控制水泵的启动和停止。此种方法一般用来检修变频器是否出现问题。(2)自动运行[6]。当合上自动开关时,按下自动按钮,1#泵电机通电,变频器输出频率开始升高,而调节程序也会获取传感器信号,和给定压力参数相比,并将调节参数输送给变频器,若是压力不足,变频器会慢慢上升频率直到给定值,然后加泵类推;假如用水量降低,水泵速度减慢,依照PID调节器来稳定系统。若是电源断电,表明系统已停机;等电源恢复以后,系统便正常工作,此时,只需启动1#泵变频,直到给定水压值正常运行即可。
3.4设置变频器参数
(1)上限频率pr1=30hz;(2)下线频率pr2=50hz;(3)基底频率pr3=30hz;(4)变频器输出功率pr5=15;(5)加速时间pr7=2s;(6)减速时间Pr8=2s;(7)电子过流保护pr9=30A;(8)启动频率pr13=12hz;(9)节能模式pr60=5;(10)设定端子之间的频率设定电压为0-10v,pr73=2;(11)默认全部参数的读/写pr160=5;(12)操作模式pr79=3。
3.5系统程序设计
当硬件连接被明确后,系统控制功能通常借助软件来控制泵站,设计如下:(1)PLC程序
3.6系统调试
(1)将rs232接口和计算机相连,重点是rs422接口和plc编程接口的连接。(2)依照触摸屏画面与plc程序,将其传送给plc。(3)关闭plc运行开关,程序显示为监视状态,按下触摸屏按钮,了解程序触点的动作情况,若是动作不符合要求,应立即检查触摸屏的属性与程序。(4)系统时间必须正确。(5)更改触摸屏输入值,认真观察寄存器值的变化情况[7]。(6)依照示意图将I/O线路、控制电路、主电路等连接好。(7)水压设定为0.4mpa。(8)假如手动启动时,设备必须正常运行,检查变频器的输出频率是否稳定,避免实际水压和设定水压之间出现偏差。(9)假如水压的设定值山下波动,必须立即调节,尤其是微分参数,应设定小,并适当加大积分参数值。若是调整缓慢,水压上下偏差加大,且系统比例常数同样增大,故应合理减小[8]。(10)检测其他功能是否满足控制要求。
参考文献:
[1]张坤芳. PLC变频调速恒压供水系统[C]. 中国智慧工程研究会智能学习与创新研究工作委员会.2019年教育信息化与教育技术创新学术论坛年会论文集.中国智慧工程研究会智能学习与创新研究工作委员会:重庆市鼎耘文化传播有限公司,2019:24-26.
[2]文四名,高昌保,文远静,马晓曦,程鹏,赵冬立.S7-200 PLC在恒压供水系统改造中的应用[J].电工技术,2019(18):19-20+23.
[3]王学林.基于PLC变频恒压供水系统的电气设计研究[J].科学技术创新,2019(17):194-195.
[4]张振军.基于PLC下变频调速恒压供水系统的设计与实现[J].科技创新与应用,2017(27):105-106.
[5]刘玉明.基于S7-300PLC的Fuzzy-PID控制恒压供水系统设计[J].中国新通信,2017,19(12):156.
[6]李莹,卢学英.浅谈基于PLC变频恒压供水系统的设计实践[J].实验室科学,2017,20(01):101-103.
[7]刘鑫,李鹏飞.下位机PLC和上位机组态软件在恒压供水系统中的应用[J].电气传动自动化,2016,38(04):29-34.
[8]胡开明,王怀平,傅志坚.基于PLC与组态技术的变频恒压供水系统的设计与实现[J].电气应用,2016,35(13):24-27.





京公网安备 11011302003690号