- 收藏
- 加入书签
四通道同步IEPE 振动传感器接口设计
摘要:本文深入阐述了一种四通道同步 IEPE 振动传感器接口的设计。该接口旨在提供具备同步四通道功能的宽带、高分辨率、高精度以及高稳定性的振动数据采集能力,尤其适用于需求多点同步测量的工业与科研领域。通过融合高性能的模拟前端电路、精确的时钟同步技术以及高速的数据采集系统,实现了对四个独立振动传感器信号的同步采集与处理。本文不仅分析了硬件部分的系统架构与电路设计,还对系统进行了实验验证。经过一系列的实验和测试,最终证实了该接口能够满足高精度振动测量的需求,并验证了其在工业与科研应用中的实用性和可靠性。
关键词:IEPE 振动传感器;同步数据采集;信号处理;多通道系统
随着工业自动化与精密测量技术的迅猛发展,对振动测量的精确度和实时性提出了更为严苛的要求。IEPE 振动传感器因其卓越的灵敏度、宽广的频率响应范围以及优异的温度稳定性,被广泛应用于机械振动监测、结构健康监测以及声学分析等众多领域。为了提升测量的精确性和可靠性,多通道同步数据采集系统的需求正日益增加。本文提出了一种四通道同步 IEPE 振动传感器接口的设计方案,旨在实现对多个振动传感器信号的高精度同步采集与处理。该设计方案不仅能够满足现代工业和科研领域对振动数据采集的严格要求,而且通过同步采集可以有效避免时间延迟和数据失真,从而为振动分析提供更为精确和可靠的数据支持。
1. 系统说明
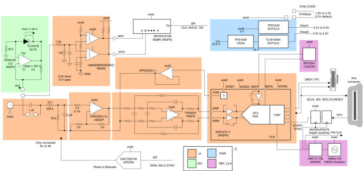
本系统采用了四通道高采样率(最高可达 400kSPS)、宽带宽、24位分辨率以及高动态范围的架构。同时对四个通道进行采样,这对于多轴振动传感器的采样或在健康监测等应用场景中是至关重要的。支持菊花链和并行 SPI 连接,适用于多通道宽带高分辨率、高采样率接口。具备以下特性:
○同步四通道宽带集成电子压电式(IEPE) 传感器接口
○ 24 位、
带宽转换
○数据速率:124kSPS(菊花链)、400kSPS(并行 SPI)
O ±1 0 V 交流输入, 3 2 0 kΩ 输入阻抗
○板载非隔离式5V 至24V 升压
○断线和短路检测功能
2. 系统设计
2.1 什么时 IEPE 传感器
集成电子压电式(IEPE)传感器是一种先进的压电振动传感器,它巧妙地将电荷放大器和阻抗转换器集成在了一起。这种设计使得传感器在进行信号采集时,能够将放大器放置在非常靠近传感器的位置,从而有效地降低了信号传输过程中的噪声水平。这种减少噪声的能力对于提高测量的准确性和可靠性至关重要。此外,IEPE 传感器的一个核心优势在于其出色的传感器互换性,这意味着在进行维护或更换时,用户可以轻松地将一个传感器替换为另一个相同型号的传感器,而无需进行复杂的校准或调整,大大提高了系统的灵活性和效率。

2.2 系统框图

2.3 设计注意事项
2.3.1 信号链电压电平
根据既定的目标规格,输入信号的峰值可达 23 伏特。在采用交流耦合方式时,信号的最大电平为正负 10 伏特。为了构建一个 5 伏特的信号链路,耦合电容器之后需串联一个电阻分压器,其分压比例为 10 比 1。此操作将信号电平降低至正负 1 伏特。电阻分压器以模数转换器(ADC)产生的中点电压(即 2.5 伏特)作为参考电平进行电平转换,转换后的输出信号电平为 2.5 伏特 ± 1 伏特。同相缓冲器级的增益设定为 2,因此缓冲器的输出电平为 ± 2 伏特。缓冲器的反相引脚同样以 2.5 伏特作为参考电平,故缓冲器的输出电平为 2.5 伏特± 2 伏特。全差分放大器负责将单端信号转换为差分信号,并将增益提升至 2 倍。差分放大器的输出共模电平设定为 2.5 伏特。因此,放大器的最大差分输出电平为 ± 4 伏特,而单端输出电平为2.5 伏特 ± 2 伏特。采用 4.096 伏特的基准电压,旨在尽可能提升动态范围(DR)。根据前述信号电平参数,可选择适当的放大器器件,该器件应具备所需的输入输出范围,并且其噪声影响应尽可能小。
2.3.2 ADC 配置
ADS127L11 采用 4V 的基准电压,旨在最大限度地扩展其动态范围。同时,选择 16MHz 的振荡器时钟作为模数转换器(ADC)的时钟基准以及串行外设接口(SPI)时钟。该 ADC 能够以高达25MHz 的时钟频率运行。为了确保信号链路达到最佳性能,必须对ADS127L11ADC 进行恰当的配置,包括数据分辨率、速度模式、滤波器类型等关键参数。
2.3.3 ADC 时钟和同步
实现多个 ADS127L11 器件的同步对于本设计而言至关重要。为确保完全同步,必须满足两个条件。首先,所有模数转换器 (ADC) 必须使用相同的基准时钟;其次,所有 ADC 的启动 (START) 信号必须保持一致,并与ADC 基准时钟同步。
在基准时钟方面,为了验证不同时钟输入之间的最小偏差,建议通过 LMK1C1106 超低抖动六通道缓冲器对振荡器进行缓冲。其中四条通道分别连接至四个 ADC,一条通道的输出回传至控制器,而第六条通道则用于同步 START 信号。在低抖动缓冲器之上,应特别注意将四个时钟信号布线至具有相同长度和延迟的四个 ADC,以确保信号同步。
至于 START 信号,建议采用小型逻辑同步器电路,以确保START 信号与 ADC 基准时钟同步对齐。这样可以保证所有 ADC 同时接收到基准时钟的 START 信号,从而避免因时钟周期的不确定性而产生的误差。
2.3.4 差分低通滤波器
THS4551 型号被设计用作单端至差分转换器,具备 2 倍增益,用以驱动模数转换器(ADC)。此外,该器件亦可作为低通滤波器,将输入带宽限制在
。此举有助于通过抑制非目标频带上的噪声信号,从而提升信噪比(SNR)。
2.3.5 电流源
IEPE 传感器在运作时需借助 2mA 至 20mA 的激励电流,其具体需求视连接电缆的长度及负载电容而定。在多数 IEPE 应用场合中,静态 2-4 m A 的电流足以驱动传感器正常工作。电流源的精确度并非关键因素,然而,其顺从范围、电流噪声以及负载调节性能对于接口的效能至关重要。
在本设计中,通过采用低电压并联基准和运算放大器,成功构建了一个 3.5mA 的静态电流源。低电压基准能够提供较低的余量和更宽的顺从范围。此外,采用四路运算放大器 OPA4187 封装,实现了成本效益较高的设计。
鉴于本应用采用 5V 电源供电,因此必须借助升压级来产生电流源所需的高电压。通过使用 TLV61046A 紧凑型增压级,并在其后接上 TPS7A49 低压差线性稳压器,成功为电流源生成了纯净的 23.8V 电压。电流源具备约1.5V 的余量,使得其顺从范围可高达22V。
2.3.6 增益级和高通滤波器
传感器通过电容器与信号链相连,其后串联一个电阻器,共同构成一个截止频率低于 1Hz 的高通滤波器。该电阻器作为分压器,其增益为 10 比 1,将 ± 1 0 V 的输入信号降至 ± 1 V 。电阻器以中点标度(2.5V)而非接地作为基准进行信号转换。同相增益级在全差分放大器级的输入端对信号进行缓冲并放大至 ± 2 ν ( + 2 . 5 V. )。双运算放大器OPA2320 器件被用于增益级和共模缓冲器。该级要求运算放大器具备至少 0.5V 的电源输出摆幅。为了实现良好的总谐波失真(THD)性能,不受交叉失真影响的线性放大器是至关重要的。
3. 测试结果
所有测试结果均在
C 室温、菊花链配置、125kSPS 数据速率、2.5V 数字电源(PHI 已通电)和 5.2V 模拟电源、32768 样本帧下得出。
3.1 本底噪声和动态范围
在进行本底噪声和动态范围测试时,并不为激励电流电路和升压级通电。短接前端输入,前端电压噪声约为 1 9 . 8 μ V ,相当于 103dB的动态范围。
3.2 增益和输入范围对增益和输入范围测试应用了以下条件:
Δ O 2 0 V P P ,2kHz 正弦输入连接到 ch1 的这一输入,所有通道的激励电流均导通,且已加载但未连接到输入。
所示的时域图中没有出现削波迹象。
3.3 ADC 的同步
显示了表示四个对齐信号的nDRDY 信号的时域波形。

3.4 使用实际IEPE 传感器进行测试
将 IEPE 传感器连接到 ch1,而 ch1 分别以 1kHz 和 5kHz 的频率接触相同振幅的音频振动源。捕获的频谱显示了接口对此类输入的灵敏度。低频具有装置和环境方面的机械振动。
4. 总结
本篇论文提出了一种四通道同步 IEPE 振动传感器接口的设计方案,旨在满足工业与科研领域对高精度、多通道同步振动数据采集的需求。该接口采用高性能模拟前端电路、精确的时钟同步技术和高速数据采集系统,实现了对四个独立振动传感器信号的同步采集与处理。论文详细分析了硬件部分的系统架构、电路设计以及实验验证过程,并通过实验测试验证了该接口的实用性和可靠性。该接口具备同步四通道宽带集成电子压电式(IEPE) 传感器接口、高分辨率、高采样率等特性,能够有效避免时间延迟和数据失真,为振动分析提供精确和可靠的数据支持。
参考文献
[1] 肖泓 . 一种高精度测量 IEPE 加速度传感器的电路设计与应用[J]. 环境技术 ,2024,42(07):220-225.
[2] 胡黎明. 低功耗IEPE 传感器数据采集系统设计与实现[J]. 电子世界 ,2021,(21):196-197.
[3] 张乐 .IEPE 加速度传感器动态特性分析与实验研究 [D]. 重庆大学 ,2020.
[4]王占友,何琳.IEPE型智能加速度传感器的设计[J].舰船电子工程 ,2017,37(05):114-117+148.
京公网安备 11011302003690号